Sekalaisia ohjeita

Tälle sivulle olen kerännyt kaikenlaista tietoa ja kuvamateriaalia erilaisista "jutuista" joita olen tehnyt ja joutunut tekemään autooni. Tekstistä on yleensä linkki tekstiä täydentävään kuvaan.

Toistaiseksi seuraavat aiheet ovat olleet "pinnalla";
Linkkejä
Vianhakua ECM/TBI
Mittariston irroitus
Käsi/jalkajarrun säätö
VECI kilpi
Tyhjäkäynti/Turbiinilukko syndrooma
Polttoaine paluulinja
Takapyörän laakerin vaihto
Bensapula vai putki tukossa
Saasteet ja päästöt

Ja ettei myöhemmin " sylettäisi" niin ota vaikka digikameralla kuva ENNEN kuin aloitat jonkin osan purkamisen. Se pitää verenpaineen ja pulssin alempana kokoamisvaiheessa :-))

Linkkejä

Osuin "vahingossa" tällaisille sivuille; http://www.tbichips.com/ .Jos olet virittämässä autoasi niin täältä löytyy edullisesti omaan yksilöllisesti viritettyyn autoosi sen omilla tiedoilla (moottori/nokka-akseli, välitys yms) ohjelmoitu teholastu. Muutenkin tämä sivusto tarjoaa kaikenlaista TBI tietoa.
Ja jos autossasi on TPI ruisku niin sitten tänne; http://www.tpichips.com/

Ajatuksia vianhausta TBI/ECM ja muitten purkkien seassa

Miten tietokone "ajattelee" ?

Vianhaussa voisi joskus kokeilla asennoitua ajattelemaan asioita tietokoneen (ECM) kannalta. ECM tekee päätöksiä saamiensa tietojen ja sisään ohjelmoitujen suoritusarvojen perusteella.

Esimerkiksi jos polttoainejärjestelmässä vaikkapa happitunnistimen johto on maadoitettu (oikosulku) niin ECM koittaa rikastaa seosta koska happitunnistimelta tuleva (tässä tapauksessa väärä) tieto kertoo seoksen olevan laihaa. ECM:n omatoiminen seoksen korjaustoiminta johtaa lopulta siihen, että moottori savuttaa kuin häkäpönttö. Vikakoodi voi olla laihasta seoksesta tai ei mitään koodia. Polttoaineen kulutus kuitenkin kasvaa....

Entäs sitten MAP tuntopään käyttäytyminen ja seuraukset. MAP tuntopää haistelee alipainetta tai oikeammin se vertaa imusarjan ja ulkoilman paineita. Kun penkin ja ratin välissä istuja painaa kaasupoljinta ja kiihdyttää vauhtia tai ainakin moottorin pyörintänopeutta niin MAP tuntopäälle tuleva tieto kertoo alipaineen vähentyneen ja tuntopään ulostulon jännite alkaa nousta. ECM "haistaa" jännitteen muutoksen ja suunnan ja tässä tapauksessa alkaa rikastaa seosta koska tuleva data väittää kiihdytyksen olevan menossa. Mitäs jos alipainelinja MAP:lle vuotaa jostain? Siitä seuraa taas, että alipaine vähenee, MAP:n ulostulosignaali ECM:lle muuttuu kertoen sille että kuski tahtoo mennä kovempaa. Siispä tarvitaan lisää polttoainetta ja lopputulos on taas että takana tulijat eivät aavistakaan että ajat bensiinikäyttöistä autoa. Paksu savu viittaa enempi dieseliin. Ja taas vikakoodi voi olla laihasta seoksesta tai ei mitään koodia. Ja bensaa palaa enemmän.

ECM toimi kaikissa jutuissa aivan oikein. Niinkuin sille on "opetettu". Samalla tavalla voi ajatella kaikkia antureita ja tuntopäitä ja auton "tietokoneen" käyttäytymistä. Oikeastaan ECM ei tiedä yhtään mitään. Se vaan tekee sen mitä sen on ohjelmoitu tekevän erilaisissa tilanteissa. Ja niitä tilanteita ei ole rajattomasti joten olettaisi että ihminen omine aivoineen pärjää ECM:lle. :-))

Mittariston irroitus

Mittaritaulu on kiinnitetty seitsemällä kiinnikkeellä kojelautaan. Kahdella mutterilla (3/8" tai 10mm hylsy) prikkoineen ja kolmella pulttikantaisella ruuvilla (9/32" tai 7mm hylsy). 3 ruuvia on kojelaudan ""lipan"" alareunassa ja kaksi mittariston alareunassa. Muttereihin pääsee käsiksi kojelaudan sisäpuolelta ja paras asento muttereille taitaa olla selällään :-) pää lattialla nenä kohti rattiputkea. Lisäksi saattaa olla kaksi muovinastaa painettuna mittaritaulun pleksilasin kiinnittiminä.

 Vaihteenvalitsin on siirrettävä ala-asentoon (ykkös vaihteelle). Rattiputken alta on hyvä poistaa muotopala joka on neljällä ristipääruuvilla kiinnitetty kojelautaan. Muotopalaan on myös kiinnitetty ilmaputki joka irtoaa vetämällä. Lisäksi täytyy irroittaa vaihteenvalitsimen osoittimen käyttövaijeri rattiputkesta vaihdekepin kääntämästä osasta. Kiinnitin on pellistä taivutettu klippi jossa osoittimelle menevä vaijeri on kiinni. Sen jälkeen voit irroittaa kaksi ruuvia (9/32" hylsy) joilla osoittimen teline on kiinni mittarin alareunassa.

Kun kiinnikkeet on irroitettu liikkuu mittaristo vetämällä senverran ulos paikaltaan, että pääset painamaan nopeusmittarin lukituksen auki vaijerin yläpuolelta aivan mittariston tyvestä. Vaijeria voi yleensä hiukan vetää ulospäin, jotta saa tilaa lisää sen irroittamiseen Ainoa sähköliitin, joka on irroitettava on nopeustunnistimen vahvistimeen liitetty johto. Varsinaiset mittariston johdot ovat "automaagisella" pikaliittimellä kiinni.

  Mittariston takaisin asentaminen on lähes käänteinen purkamiseen. Ainoa säätötyö on vaihteenvalitsimen vaijerin kiinnitysklipin oikean paikan etsiminen, jotta valitun vaihteen näyttö olisi oikein. Nopeusmittarin vaijerin lukittumisesta kannattaa varmistua.

Käsi(jalka)jarrusta

Ongelmana taitaa yleensä olla se, ettei oikean puolen takapyörä lukitu. Se taas johtunee kahdesta asiasta; vaijeri on jumissa tai oikean (ja vasemmankin) puolen takajarrukengät ovat liian kaukana jarrurummusta.

Vaijerin säätö (kiristäminen) ei joskus auta.

Kaupoissa yleisesti myynnissä olevat korjausoppaat eivät puhu muusta kuin vasemmanpuolen jarrun säätämisestä lukkoasentoon vaijeria kiristämällä.....jarrua kolme naksahdusta kiinni päin ja vaijeri kireälle....tuo ei yleensä oikeassa elämässä riitä.

Ensiksi; löysää jarruvaijeri haaroituksen luota. Totea että oikean puolen jarruvaijeri liikkuu kuorensa sisällä. Taitaa olla helpompi ottaa oikean puolen jarrurumpu pois ja todeta vaijerin liikkuminen sitten.... Ellei liiku kunnolla niin jarrurumpu oikealta pois ja vaijerinpää irti ja sopivilla liemillä (CRC,PlusGas yms.) liuottamalla ja liikuttamalla vaijeria saatetaan se taas toimivaan kuntoon.Vaijeria voi noilla litkuilla voidella koko matkalta ja taivutella myös. Älä päästä liuottimia ja voiteluaineita jarrukengille!!
Ja samalla kun jarrurumpu on otettu pois voit myös puhdistaa jarrukengät, rummun ja jarrukilven (osa jolla koko jarru kiinnittyy taka-akseliin) ja katsoa missä kunnossa jarrukengät ja jarrujen kehälle säätämiseen tarkoitetut osat ovat.Puhdista ja herkistä ne.Varsinkin automaattisen kehällesäädön mekanismien tulisi olla hyvin liikkuvia.

Ja samat temput vasemmalle jarrulle!!

Totea että jarrukenkien liikutusvivustot myös toimivat. Kun olet taas kiinnittänyt vaijerin ja jarrurummun paikoilleen säädä takajarrukengät niin lähelle jarrurummun kehää kuin mahdollista. Käytä jalkajarrua (varsinaista jarrua) muutaman kerran ja totea säätö kunnolliseksi tai säädä lisää tarvittaessa. Pääasia että kengät on mahdollisimman lähellä rumpua kuitenkaan ottamatta liikaa kiinni. Hiukan ne saavat jopa kahnata kiinnikin.

Tässä kohtaa sitten voi noudattaa oppaiden ohjetta ja kolme naksahdusta jarrua(käsi/jalka) kiinni ja sitten vaijerin säätö niin että vasen pyörä lukkiutuu.

Huomaa, että vasemmanpuolen jarrukenkien ollessa kauempana rummun kehältä vaijerin oikealla puolella tapahtuvan liikkeen alkamispaikka siirtyy myöhemmäksi. Eli vasemmanpuolen jarrun on myös oltava säädettynä lähelle kehää koska oikea puoli alkaa liikkua vasta kun vasen alkaa (kunnolla) ottaa kiinni......ja lopuksi hajoituskuva takajarrujen osista.

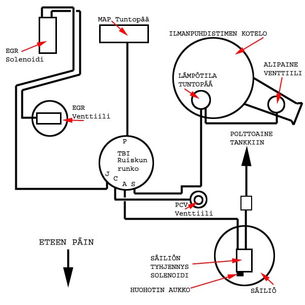
VECI (Vehicle Emission Control Information) kilpi

VECI kilpi on yleensä sijoitettuna jäähdyttimen kohdalle sen muovisuojuksen päällä keskellä. Kilpeen on merkitty sytytysennakon perussäädön ohjeet, tulppien kärkiväli, saastejärjestelmän putkisto sekä tyhjäkäynnin säätämisestä varoituksia.
....nyt vaan on niin, että tämän ikäiset autot ovat jo nähneet paljon maailmaa ja erilaisia aineita. Noitten yhteisvaikutuksesta kilvet ovat useinkin tällaisia....lähes lukukelvottomia.
Niinpä olen kerännyt eripuolilta palasista yhden kokonaisen tekstin, jossa on täydellisenä se mitä kilvessä lukee. Täällä on sytytyksensäädöstä ohje 1 ja ohje 2. Lisäksi kuva moottorin ympärillä olevista letkuista.

Tyhjäkäynti/Turbiinilukko syndrooma

Ensin alkoi oirehtia turbiinilukko, joka n.80-100km/t tasaisessa vauhdissa alkoi harrastaa itsenäistä ON/OFF toimintaa aiheuttaen aikamoista nytkyttelyä.Tosin myös sytytyshäiriö voisi aiheuttaa samanlaisen ilmiön. Pienemmälle vaihtaminen ja kierrosluvun nosto häivytti ongelman hetkeksi. Suunnittelin jo solenoidin vaihtoa vaihteistoon seuraavan öljynvaihdon yhteydessä. Jäljestäpäin ajateltuna olisin voinut kokeilla ko solenoidin toiminnan irtikytkemällä sen kokonaan.....no kuitenkin - oireet pahenivat ja tyhjäkäyntikin alkoi osoittaa ontumisen merkkejä. Paikallaan, vaihde päällä, moottori tyhjäkäynnillä tuli samanlainen ilmiö kuin vauhdissakin; oli kuin turbiinilukko olisi kiinni-auki-kiinni-auki tai sytytyshäiriö moottorissa.....
Syyksi selvisi yllättäen ilmansuodatin. En olisi ulkopuolisella tarkastelulla voinut sanoa sen olevan niin tukossa, että se olisi aiheuttanut mitään ihmeellisyyksiä. Polttoaineen kulutusta en seuraa jatkuvasti mutta ei siinä mielestäni ollut mitään lisääntymistä. Suodattimen vaihdon jälkeen oireita ei ole ollut ja moottori toimii kuin unelma.

WinALDL ohjelmalla tehdyt mittaukset osoittavat tyhjäkäynnin kierrosluvun laskeneen 750:stä 600:aan ja samalla MAP:n ulostulojännitteen nousseen 1,1Voltista (57 RAW) 1,4Volttiin (69 RAW)......joten fiksumpi olisi sitäkin kautta huomannut mistä vikaa löytyy....parempi myöhään kuin ei koskaan :-)

Löysällä oleva ilmanpuhdistimen kotelon kansi aiheuttaa myös "kivan" efektin moottorissa. Tyhjäkäynnillä kaikki on OK mutta kun lisäät kaasua moottori ei halua kiihtyä heti ja aivastelee imusarjaan. Eli sytytys siirtyy aikaiselle. Kaasutettaessa moottori heilahtaa ja laskee löysän kannen alta hetkittäin ilmaa suoraan imusarjaan ohi suodattimen ja muuttaa jyrkästi (ali)paineita imupuolella. ECM tekee mitä osaa ja siirtää sytytyksen aikaiselle......tuli tunaroimalla kokeiltua tuokin ilmiö.

Polttoaine paluulinja

Capricessani on kaksi putkea tankilta TBI:n läppärungolle. Painepuoli pumpulta (tankista) on 3/8" putkea ja paluulinja 5/16" putkea. Konehuoneessa on joustavat liitokset (=joustavat putken pätkät) auton korin puolelta moottoriin. Moottorin kohdalla rungon puolella putket on vedetty kumiputkeen. Muuten ne kestäisivätkin kai vaikka kuinka kauan mutta kumin alla pesii kosteus ja aiheuttaa (jo 15:sta vuodessa :-)) ) putkien puhki ruostumista.
Näyttää siltä, ettei Suomesta löydy helpolla 3/8" putkea vastaavasta aineesta tehtynä jota on käytetty alkuperäisessä asennuksessa ja mm. jarruputkissa. Jenkkilässä sitä on tyrkyllä kaikkialla ja mm. Summit'in luettelossa. Tilaamalla saisi. Alkuperäiset joustavien putkien liittimet ovat todennäköisesti ns. Saginaw liittimillä (14mm ja 16mm, 1,5mm nousulla) No en tilannut vaan korvasin tuon pienemmän paluulinjan putken 8mm kupariputkella. Painepuolen putki oli senverran ehjän oloinen etten siihen kajonnut...vielä.
Oletin, että putkia ei tarvitse uusia koko matkalta vaan pelkältä ruostuneelta osalta. Totuus on kuitenkin se, että kun putkea puhdistaa niin se alkaa vuotaa pistemäisesti lähes koko matkalta. Käyttämäni hydrauliliitin mahdollistaa putkien katkaisun/liittämisen mistä vaan sopivasta paikasta. Näyttää siltä, että paluulinjassa esiintyy korroosiota enemmän kuin painepuolella. Paluulinjan polttoaine on lämmintä ja siihen on sekoittunut ilmaa ja tiivistyessään kai sitten alkaa esiintyä vettäkin joka sitten seistessään putkessa alkaa muhia. Kuva putkesta joka ostettu Biltemasta sekä liitin joka hankittu paikallisesta hydrauliikka liikkeestä. Liittimessä on puristusliitos helmillä putkien päälle. Paluulinjan katkaisin moottoritilassa joustavanliitoksen jälkeen noin 10 cm sen liittimestä. Puhdistin pinnat ja puristin liittimen kiinni. Kupariputki meni vetämällä (saa muuten vetää tosissaan) runkopalkin sisään ja sopi vanhan paluuputken runkokiinnikkeisiin.
Tankin päässä taka-akselin yläpuolella on kumiletku, josta vedin vanhan paluuputken ulos. Lyhensin hiukan kumiputkea ja työnsin uuden kuparisen paluuputken sisään ja kiristin klemmarilla. Toimii.

Takapyörän laakerin vaihto

Pyörän laakerin vaihto alkaa auton ylösnostolla ja tuennalla. Takapyörän irroitus ja perän öljystä tyhjentäminen seuraavana. Peräöljyt poistuu samalla kun aukaiset taka-akselin keskiosan kannen (banjon) joten varaa sopiva astia alle. Erillistä tyhjennysproppua ei ole. Jarrurummun voi myös irroittaa. Jarrumekanismi kenkineen saa olla paikallaan.
Kun taka-akselin öljyt ovat valuneet ulos voit poistaa lukituspultin [A] joka sitoo koko paketin nippuun; Pienten tasauspyörästön hammasrattaiden akseli[B] tulee sen jälkeen vetämällä ulos. Hammasrattaiden akselin ulosveto taasen aiheuttaa sen, että voit työntää vetoakselia sisään päin jolloin vetoakselin tasauspyörästön puoleisesta päästä irtoaa akselin lukituslevy [C].( Lukituslevy kestää paikallaan omassa kolossaan kun akselia vedetään ulospäin ja pienten hammaspyörien akseli on on paikallaan. Lukituslevy irtoaa kun pienten hammaspyörien akseli irroitetaan ja akseli työnnetään kohti tasauspyörästöä.) Vetoakseli on nyt irti ja voit vetää sen ulos.
Takapyörien rullalaakerit (1/puoli) ovat puristussovitteella kiinni taka-akselissa ilman muuta lukitusta. Niiden etupuolella on stefa tiivisteet (1/puoli). Työnnä vetoakselin vartta sisään hiukan ja kampea sillä vanha stefatiiviste [D] pois. Laakeri tulee ulos liukuvasaran (heijari) avulla. Irroitusta helpottaa jos kampeat laakerirullat laakerista pois, jolloin liukuvasaran kynnen saa paremmin laakerin kehään kiinni. Kannattaa lyödä eri kohtiin pitkin laakerikehää jolloin joskus tiukassakin oleva laakeri irtoaa paremmin. Liukuvasaran kynsi on useimmiten liian hentoinen vakiona, joten siitä kannattaa tehdä vaikka itse hiukan jämäkämpi. Taka-akselin keskiosan pohja kannattaa tässä vaiheessa puhdistaa kaikesta sinne kertyneestä töhnästä. Samaten voi tarkastaa akseliputket.

Akselin tasauspyörästön pohjan puhdistuksen jälkeen voi asentaa uuden laakerin paikoilleen. Työnnä laakeri suorassa vasten akseliputken päätä. Sopivan kokoista hylsyä tai putkea tai muuta vastaavaa käyttäen välissä lyö laakeri varoen sisään. Lyönnin tulee kohdistua laakerin kehään-ei rulliin. Menee se tietty vasarallakin kun kierrättää iskuja pitkin kehää.....Kun laakeri on paikoillaan naputtele uusi stefa varoen paikoilleen tasainen puoli ulospäin.

Usein vanhemmissa autoissa laakeri vaihdetaan kulumisen takia. GM on rakentanut takapyörän laakeroinnin siten, että taka-akseli toimii laakeripintana. Kulumisesta johtuen samanlaista uutta laakeria ei kannata useinkaan laittaa vaan kannattaa laittaa korjauslaakeri, jossa on stefa ja laakeri ovat yhtenä kiinteänä pakettina. Laakeri on tavallaan vanhan stefan paikalla ja stefa vanhan laakerin paikalla. Uudessa korjauslaakerissa toisin sanoen laakerin kulutuspinta siirtyy akselilla ulospäin ja laakerissa on kaksi stefaa. Samaten laakeri on voideltu valmiiksi. Huomioi myös, ettei uusi laakeri mene pohjaan asti akseliputkella vaan jää 1/4" verran ulos siitä. Tämä huomautus siksi, ettet hakkaa laakeria pilalle kun se ei menekään pohjaan asti!!

No niin...laakeri on paikoillaan ja akselin voi työntää putkeen ja hammasrattaan läpi. Siihen voi laittaa lukituslevyn ja vetää akselia ulos jolloin lukituslevy jää koloonsa eikä putoa. Pienten hammaspyörien akseli paikoilleen ja akselin lukituspultti tiukasti kiinni. Kansi banjoon kiinni uuden tiivisteen tai silikonin kanssa ja öljyt sisään. Niin paljon, että alkaa valua ulos. Tulppa kiinni. Jarrurumpu ja pyörä paikoillaan ja auto alas. Homma on siinä. Vilkaise kuitenkin vielä alle, ettei mitään vuotoa ole havaittavissa.

Bensapula vai putki tukossa

Katalysaattori tukossa...? Onko ? Vai onko bensan saannissa ongelma? Ensi alkuun tuntui että bensapulahan se on. Porvoon motaria läppä levällään kunnes Elimäen kohdalla huomaan että gasot melkein finito. Tankkaus ja huomaan että on ehkä 4-5ltr ollut jäljellä. Jatkan Kouvolaan jonossa ja Kouvolan jälkeen totean että autostani on tullut "nuhapumppu". Ei halua oikein kiihtyä ja kummallinen ääni kuuluu konehuoneesta.
Kuopiolaisten moottoritiellä 120 on liikaa ja vauhti hyytyy lähes tyhjäkäynniksi. Kone pätkii ja käyttäytyy kuin olisi bensat lopussa......saan raahauduttua Iisalmeen ja ostan bensiinin suodattimen koska kuvittelen että Elimäen kohdilla on suodattimeen kertynyt kaikenlaista roskaa ja se on tukossa aiheuttaen nuo kulkuhäiriöt.
Suodattimen vaihto ei auta ja huomaan että kun potkii kaasua niin EGR venttiili toimii ja kierrättää pakokaasuja. Ei pitäisi normaalisti noin tehdä. Ja ihan kuin olisi pakoäänet hiljaisemmat kuin ennen....? No - nappaan EGR:n pois toiminnasta ja auto kulkee jo nykimättä ja sillä pääsee siedettävästi ajelemaan takaisin Helsinkiin.
Matkalla ajattelen kuinka se ECM oikein toimii ja heureka....sehän funtsailee noita paineita ja säätelee bensan syöttöä.....putki tukossa! Jos äänet on lisäksi hiljentyneet...ensin epäilin etten enää kuule kunnolla :-). Joo...imukanavan paineet menee sekaisin ja pois ECM:lle ohjelmoiduilta käyriltä jos katti on tukossa. Kas kun moottori kestää määrätyn määrän virtausta eikä sitten yhtään enempää. Tuskin maltan odottaa perille pääsyä ja lisä tutkintaa.....
Jesss....katalysaattori on ravisteltu rautatangolla sirpaleiksi ja isoimmissa palasissa olikin havaittavissa tukkeumia. Kolistelun välillä tapahtuvat käynnistykset ja kaasuttelut varmistavat diagnoosia oikeaksi. Äänet alkavat taasen olla oikealla tasolla ja putkesta poistuu entinen katalysaattori pölyn keskellä. Moottori vastaa myös kaasuun kunnolla ja kaikki on hyvin. Putket kiinni ja matkaan.
Vielä huomautuksena, että Caprice -89 menee...jos muuten on säädöt kohdallaan....läpi päästömittauksesta kuin tyhjää vaan ilman katalysaattoriakin. Purkki täytyy olla pakoputkessa mutta ei sitä huomaa, että se on tyhjä.

Saasteet ja päästöt

Pakokaasuista

Pakokaasussa tärkeimmät syntyneet saasteet ovat hiilimonoksidi (CO) , palamattomat hiilivedyt (HC), sekä typen oksidit (NOX). Muita syntyneitä yhdistelmiä on esim. hiilidioksidi (CO2).

Hiilimonoksidia syntyy varsinkin kun polttoaineessa on happea liian vähän täydelliseen palamiseen.Mitä rikkaampi polttoaine seos on, sitä enemmän on pakokaasuissa hiilimonoksidia.
Palamattomat hiilivedyt (HC) syntyvät palamattomasta polttoaineesta. Liian rikkaasta seossuhteesta seuraa hiilivetypitoisuuden kasvaminen,mutta myös liian laihalla seoksella hiilivetypitoisuus kasvaa epätäydellisen palamisen seurauksena. Sytytyslaitteiston kunnolla saattaa myös olla vaikutusta HC arvoihin.

Typen oksidit typpimonoksidi (NO) sekä typpidioksidi (NO2) käsitetään usein yhteisellä nimellä typen oksidit (NOx). Typen oksideja syntyy moottorissa sitä enemmän mitä suurempi on palamislämpötila- ja paine. Pakokaasun typen oksidipitoisuus kasvaa suorassa suhteessa moottorin kuormitukseen, koska paineet ja lämpötilat kasvavat kuormituksen kasvaessa.

VIANHAKU JA KORJAUKSET

- Sytytysennakon myöhäistämisellä saadaan pakokaasujen lämpötila korkeammaksi, mikä edesauttaa CO- ja HC- saasteiden jälkipalamista. Liian myöhäinen sytytysennakko taas nostaa HC arvoja.

- Termostaatin vaihto kuumempaan nostaa koko moottorin toimintalämpötilaa, jolloin seos muuttuu homogeenisemmaksi ja samalla paremmin palavaksi pienillä käyntinopeuksilla.

- Sytytystulppien vaihto pykälän tai kaksi kuumempiin sekä kärkivälin
säätäminen normaalia suuremmaksi.

CO ja HC-pitoisuudet korkeat

- seos liian rikas
- ruiskutuspaine liian korkea
- rikastin viallinen
- moottoriöljy huonolaatuista, vanhaa tai väärä viskositeetti
- kampikammiossa bensiiniä
- kampikammion huohotusletku tukossa (PVC venttiili ei toimi oikein)

CO-pitoisuus alhainen, HC-pitoisuus korkea

- imuvuoto
- alipainevuoto

CO-pitoisuus normaali, HC-pitoisuus korkea

- puristuspaine alhainen
- sytytyslaitteissa vikaa
Joutokäynnin CO-pitoisuus liian suuri

- moottorin lämpöanturi viallinen
- imusarjan paineanturi
- suihkutussuutin - ECU

Oletuksena on, että happituntopää ja katalysaattori ovat kunnossa. Näiden vaikutus on jo niin paljon, että muiden osien heikko kunto jää todella vähälle huomiolle jos esim ennen katsastusta asennetaan uusi katalysaattori ja uusi happituntopää.

Handen       Chevrolet Caprice -89