TPS & IAC säätöä

Ensimmäiset oireet siitä, että jotain on pielessä tulivat kaksivuotta sitten katsastuksessa. Päästöt tyhjäkäynnillä ylittivät rajat selkeästi. Kone kävi liian rikkaalla mitatessa....muuten toiminta oli lähes normaalia. Lähes normaalia siksi, että olin kyllä huomannut tyhjäkäynnin muuttuvan joskus hiukan raskaammaksi. Samaten kiihtyvyys vaihteli tuon tyhjäkäynnin yhteydessä hiukan huonompaan suuntaan niin, että sen "perstuntumalla" huomasi.

Silloin katsastuksessa tilanne korjaantui jostain syystä itsestään kesken mittauksen. Sama toistui seuraavassa katsastuksessa ja inssi oli jo määräämässä ajokieltoa kun mittareiden yhä ollessa kiinni kaikki oli yhtäkkiä taas OK !!

Silloin arvuuteltiin lämpötila-anturin kuntoa ja muitakin vaihtoehtoja. Kesällä sitten kytkin tietokoneen ja WinALDL ohjelman autoon kiinni ja katselin missä mättää. Lämpötilan mittaus meni niinkuin pitikin. Yksi,joka kiinnitti huomiota oli TPS:n eli kaasuläpän asennon osoituksen arvo. Sen olisi pitänyt olla n. 0,5V. Samaten IAC:tä (tyhjäkäynti ilmamäärän säätö) säätävän askelmoottorin pulssiarvo oli liian korkea.

Ohjeet käskevät säätää TPS:ää TBI:n läppärungon vasemmalta laidaltalöytyvällä ruuvilla joka voi olla myös jonkinlaisen suojan alla . Se säätö loppui lyhyeen kun huomasin TPS säädön olevan "tapissa" eikä läppää enää saanut kännettyä enemmän kiinni.Läppä otti jo imukurkun reunoihin eikä siellä ollut enää varaa tehdä säätöä.

Omassa autossani on kiinteästi asennettu TPS anturi niinkuin kai muissakin V6 koneellisissa C1500:ssa bensakoneissa. Kuitenkin sen tekeminen säädettäväksi ja säätäminen ( kääntäminen) korjasi koko ongelman. Kun kääntää TPS anturia niin ECM luulee kaasuläpän kääntyvän. TPS anturin kiinnitysreikien soikeaksi muotoilulla saa sitä käännettyä haluttuun suuntaan jolloin anturin arvot saa kohdilleen. Jos käytössäsi on Win ALDL ohjelma niin voit sitä apuna käyttäen säätää jännitteen oikeaksi ja TPS sarakkeessa oikealla prosenttiarvon nollaksi.

Ja huom ! ECM tunnistaa 0,9V:n alla kaikki TPS:n asennot nollana ja samoin 4,0V yläpuolella kaikki arvot kelpaavat 100%:ksi

Ja omassa koneessani kun olin saanut TPS arvot kohdalleen niin IAC:n arvot tipahtivat samalla myös oikeiksi ! Oikeat kolon viilaus suunnat voi treenata kädessäkin pitämällä liittimiin kytkettyä TBI rungosta irroitettua anturia ja kääntelemällä anturin akselia. Samalla näkee WinALDL ohjelmasta kuinka TPS:n arvot muuttuvat.

Ja tyhjäkäynnistä: Tyhjäkäynti oli heilunut epämääräisesti (jälkiviisautta) n.900rpm:n tienoilla. Nyt säädön jälkeen se tipahti alle 700:n.

Ja jälkiviisaana voisi arvuutella tuon TPS anturin olevan jotenkin viallinen/kulunut sillä eihän tuo ihan normaali tilanne ole suurentaa reikiä.

Ja vielä....vaihdoin vuotta myöhemmin uuden TPS anturin ja asennuksen jälkeen se toimi niinkuin ko. anturin kuuluukin toimia. Ilman mitään säätelyä :-)
Toisaalta...ei nuo tarvike anturit välttämättä aina ole vimosen päälle sopivia joten tuo viilaus voi olla joskus ihan kohdallaan.

TPS:n testausta alla olevasta linkistä !

Linkit muille sivuille

RWAL jarrujärjestelmä

ABS:n / RWAL jarrujärjestelmän poisto

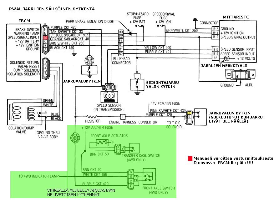
RWAL järjestelmään liittyvä kytkentäkaavio

1989-1990 DRAC yksikön uudelleen kalibrointi

1990-1991 DRAC ja 1992- VSSB yksikön uudelleen kalibrointi

Vaihdevalinnan numeronäyttö

TPS sensorin mittaus



Fleetside etusivu      www.handen.us       Chevrolet Caprice -89