GM:n RWAL (Rear Wheel Antilock)
- takapyörien lukkiutumisen esto

Kannattaa luultavasti lukea koko tämä seuraava (pitkä?) litania loppuun ennenkuin tekee mitään.

Punainen jarruvalo BRAKE paloi ja paloi kojetaulussa vaikka oli ilmattu ja punnerrettu jarrujen kanssa muutenkin. Niinpäs aloin tutkailla juttuja ja sain kasaan tämän jutun, jossa on todella useilta sivuilta kerättyä tietoa suomennettuna. Näiden sivujen ohjeitten mukaan toimiessanne vastuu on itsellänne. En ota minkäänlaista vastuuta mahdollisista ongelmista. Olen kuitenkin pyrkinyt mahdollisimman monesta eri lähteestä varmistamaan tiedot joita sivuillani esiintyy. Jos huomaatte virheitä olisin kiitollinen jos saisin palautetta aiheista....ja muutenkaan palaute ei olisi paha juttu !
Kun nuo kolme laitetta/järjestelmää RWAL/DRAC/VSSB liittyvät toisiinsa niin tulikin aika pitkä juttu;

Kelsey-Hayes kaksipyörä ABS järjestelmä esiteltiin ensimmäisenä 1987 Fordin picupeissa ja Bronco ,Bronco II, Explorerissa, Aerostarissa ja Econovanissa nimellä Rear Wheel AntiLock Brake (RABS).
Toinen versio Rear Wheel AntiLock (RWAL) tuli 1988 Chevroletin ja GMCn C ja K sarjojen fullsize pickupeissa, S ja T sarjojen autoissa sekä joissain S sarjan Blazereissa, 1989 ja eteenpäin Astro minivaneissa, 1990 ja 1992 R ja V sarjojen kevyissä pickupeissa sekä G sarjan vaneissa.

Rear wheel antilock (RWAL) oli käytössä GM:llä ja DaimlerChryslerillä. Vastaava Rear Antilock Brake System (RABS) Fordilla. Molemmat ovat versioita samasta kaksipyörä ABS systeemistä, joka oli suosittu 1990 luvulla kevyehköissä pickupeissa ja SUV:eissa. Isuzu, Mazda, Nissan ja Subaru käyttivät järjestelmää vuodesta 1991. ABS versioita on paljon. Samoin oli kaikenlaisia vika ja tutkimuspyyntöjä NHTSA:lle USA:ssa. Käytössä olleitten järjestelmien määrä on kuitenkin suuri verrattuna vikoihin, joista suurin osa aiheutui likaisuudesta jarrunesteessä. Varsinaisia mekaanisia vikoja järjestelmässä oli harvoin. Yksinkertainen takapyörien lukkiutumisen esto (RWAL) oli taloudellinen ja tehokas ABS järjestelmä kevyisiin pickupeihin. Suurin osa pickupeista liikkuu ilman lavakuormia ja niinpä kevytperäisten autojen takajarrut lukkiutuivat herkästi kovemmassa jarrutuksessa.

Kolmas versio tuli 1988 Dodge Dakotan ja Ramin mukana ja täysikokoisissa pickupeissa. Kaikki Kelsey-Hayes systeemit ovat irrallisia integroimattomia tai lisättyjä järjestelmiä, jotka käyttivät perinteistä alipaine jarrutehostinta. Kaikkien em.valmistajien systeemit toimivat vain takajarruissa kevyellä kuormalla jarrutettaessa. Samaten kaikki valmistajat ovat lisänneet järjestelmän myös nelivetoisiin (4WD) ajoneuvoihinsa mutta ABS toiminta on pois kun neliveto on päälle kytketty.

Ja ettei ihan helpoksi menisi; mainittakoon, että -90 luvun alussa GM alkoi myös tuottaa 4WAL järjestelmiä em. autoihin. Eli edessä oli pyörissä tunnistimet ja takapää oli edelleen vaihteiston takapäästä tulevan tiedon varassa. Järjestelmä muuttui aivan erilaiseksi. Samaten OBDII:n varhaisia muotoja alkoi esiintyä n. -93 esim. joissain Blazereissa.

Ja lisää erilaisuutta: ZPRWAL (Zero Pressure Rear Wheel Antilock ) oli jarrujärjestelmän nimenä 30 series HD malleissa.

RWAL:n toiminta


Gm:n vaihteistosta sen takaosasta nopeustunnistimelta (VSS - Vehicle Speed Sensor) tulee vaihtovirta signaali ( AC) ja se muutetaan mittaritaulun takana olevassa (ennen 1990) tai erillisessä DRAC / VSSB(Digital Ration Adapter Controller/Vehicle Speed Sensor Buffer) moduulissa kalibroiduksi tasajännitteeksi ja prosessoidaan ennen lähettämistä eteenpäin Rwal Eculle/ CruiseControlille/ nopeusmittarille/ ECM:lle.

-4000 pulssia mailille taajuudella cruise Controlille ja muutamille muille sähköisille instrumenteille
-2000 pulssia mailille taajuudella ECM:lle ja momentinmuuntimen lukitus toimintaan
-128000 pulssia mailille ABS:n käyttöön

DRAC yksikkö on tehtaan kalibroima välityssuhteen ja rengaskoon mukaan. Mutta se voidaan usein kalibroida uudelleen siirtämällä jumppereita DRAC:lla tai VSSB:llä. DRAC moduuli on kalibroitu perän ja (alkuperäisten) renkaitten kanssa antamaan oikeaa (nopeus) tietoa. Rengaskoon tai perävälitysten muuttaminen aiheuttaa siis momentinmuuntimen, ABS:n , nopeus- ja matkamittarin toiminnoissa virheitä, joista virheistä johtuen tulee sitten tarve kalibroida DRAC/VSSB uudelleen. Samaten BRAKE valo voi alkaa esiintymään enemmän tai vähemmän sitkeästi. 1990 ja aiemmissa C ja K sarjan pickupeissa Drac moduuli voidaan kalibroida uuteen rengaskokoon ja perän välityssuhteeseen muuttamalla 8 pinnisen liittimen pinnien järjestystä mittaritaulussa tai erillisessä DRAC yksikössä.Myöhemmissä GM:n malleissa on DRAC moduuli, joka on Vehicle Speed Sensor Buffer nimeltään . Jotkut harrastajat ovat asentaneet DRAC piirikortille DIP-kytkimet asetuksien muuttamisen helpottamiseksi. Niistä myöhemmin.

Jos RWAL moduuli (ECBM) havaitsee totaalisen takajarrujen lukkiutumis tilanteen eli eron ajoneuvon nopeuden ja pyörien pyörintänopeuden välillä ja niin se aktivoi EH (Electro HYdraulic - Sähkö hydraulinen) laitteella eristysventtiilin (isolation valve) pysäyttäen takajarrujen paineistuksen. Jos tilanne ei korjaannu niin RWAL moduuli synnyttää pulsseja jotka aktivoivat tyhjennys (dump) venttiilin joka vuodattaa ylimääräistä painetta takapyörien jarrutyösylintereistä samassa EH yksikössä sijaitsevaan jousikuormitteiseen paineakkuun. Kun tilanne on ohi venttiilit (2kpl...isolation ja dump venttiilit.... jotka toimivat solenoideilla) palautuvat normaali asentoihinsa. Eristysventtiili voi myös kasvattaa tarvittaessa pulssimaisesti takajarrulinjan painetta.

Vioista


FSM:n (Factory Service Manual) mukaan BRAKE valo syttyy jos:

-jarruissa ilmaa
-Viallinen pääsylinteri
-likainen tai väärä jarruneste
-seisontajarru ei ole täysin vapautettu
-kuluneet jarruhihnat
-pyörän laakerien väärä säätö
-toimimattomat automaatti säätimet
-löysät jarrujen kiinnitysosat
-väärin säädetty pääsylinterin työntötanko
-RWAL järjestelmävika

Ohjausmoduulissa on oma (joskin rajoittunut) diagnostiikka ohjelmansa joka voi tallentaa myös yksittäisen vikakoodin. BRAKE varoitusvalo mittaristossa ilmaisee vikatilanteen RWAL järjestelmässä.

Valolla on kolme eri kirkkaus astetta, jotka ilmaisevat vian sijaintia:
Kirkkain – seisonta jarru
Normaali(?) – Yhdistelmä venttiili (tai metering & proportioning valve)
Himmein – RWAL järjestelmä
Viallinen seisontajarrukytkin voi myös aiheuttaa valon palamisen. Jos valo palaa ja painat seisontajarrun päälle ja valo hiukan kirkastuu ei vika ole seisontajarrussa.

Irroittamalla liitin yhdistelmäventtiilistä nähdään onko ABS järjestelmä viallinen...jos valo jää palamaan on vika ABS järjestelmässä.....tarkemmin vianhaku kaaviossa...

Älä kytke ALDL liittimen H ja A napoja yhteen jos BRAKE valo ei ole päällä...siitä tulee väärä vikakoodi 9 joka sytyttää BRAKE valon ja kytkee RWAL:n pois päältä

Kun navat A ja H ALDL (Assembly Line Data Link) liittimellä yhdistetään hyppylangalla (jumper) nopeustunnistimen syöttö RWAL moduulille maadoittuu ja varoitusvalo alkaa vilkkua ja näyttää tallennettua vikakoodia. Vikakoodi vilkunta alkaa noin 20 sekunnin jälkeen.

Aloita vikakoodin laskeminen (vilkuvalon) pisimmästä ja lisää siihen seuraavat lyhyet vilkkumiset. Näin voi tarkastaa yhden vian kerrallaan ja esiin saatu vika on korjattava ennen kuin järjestelmä voi tallentaa sinne uusia.

Uudemmissa elokuun 1990 jälkeen ajoneuvoissa vikakoodia ei pysty lukemaan kuin erityisellä skannerilla tai lukijalla koska koodi muuttui ohjelmisto muutoksen myötä "ei lukittuvaksi". H liittimen maadoittaminen ALDL liittimellä pyyhkii nämä lukkiutumattomat koodit pois.

Vikakoodeja GM:llä

1. Vaihda säädin
2. Eristysventtiili jumissa tai ECU viallinen
3. Tyhjennysventtiili jumissa tai ECU viallinen
4. Maadoitettu RWAL reset kytkin
5. Tyhjennysventtiilillä liikaa toimintoja ABS jarrutuksen aikana
6. Viallinen nopeustunnistimen signaali
7. Oikosulku eristysventtilille tai toimimaton ABS moduuli (ECU)
8. Oikosulku tyhjennysventtiilille tai viallinen ABS moduuli(ECU)
9. Suuri vastus tai avoin piiri nopeustunnistimella.
    Vastus pitää olla n.900-2000 ohmia
10. Jarruvalon kytkentäpiiri vika
1, 11, 12, 13, 14, 15. ECU viallinen

BRAKE valon kuuluisi normaalisti palaa pari sekuntia kun virta-avaimesta käännetään virta päälle.

Manuaalinen vikakoodin poisto (jos järjestelmä on korjattu eikä tee uudelleen vikakoodia) ; poista ABS sulake tai irroita akku vähintään 5 sekunniksi. Vikavalo ei häviä jos systeemiä ei ole oikeasti korjattu.

Vika toimintoina ilmenee koodi 9 jos H nasta ALDL liittimellä on maadoitettu vaikkei vikavaloa olekaan. Järjestelmässä ei ole kuitenkaan vikaa.

Kummallinen "vika" tulee jos manuaalivaihteisen 89-90 S tai T sarjalaisen ja 88-90 C ja K sarjalaisen puhaltimen moottori on täysillä, sytytys pois, jarrutetaan ja auto silti liikkuu...tulee vikakoodi 7.

Toinen kummallisuus; 88-89 C ja K sarjalainen liikkuu yli 60km tunnissa ja ABS joutuu virrattomaksi tai jarrujen merkkivalon virtapiirissä ei ole jännitettä. Tulee vikakoodi 10.

Maavuodot voivat myös aiheuttaa vikavalon palamisen.

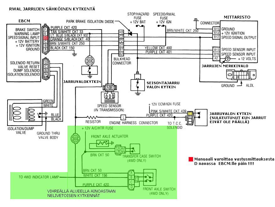
ABS vikavalon [BRAKE] voi kuitenkin saada pois mittaristolta kun irroittaa vaaleanruskea/valkea värisen johdon EH moduulin liittimeltä jarrupääsylinterin vieressä (mustavalkean ja pinkin johdon välissä) liitin nasta E. ABS toiminto ei silloin ole käytössä mutta jarrut toimivat kyllä muuten (ja lukkiutuvat) ellei niissä ole muuta vikaa ! Tässä vuoden -89 mallin C/K 1500 Fleetsiden RWAL järjestelmän vianhakuun liittyvä kytkentäkaavio. Huomaa, että jarruvaloon liittyviä kytkimiä on kolme (3) kappaletta.

Sama BRAKE varoitusvalo palaa kun parkkijarru on laitettu päälle tai kun yhdistelmäventtiili tunnistaa ongelman etu ja takajarrupiirien välillä.
Diodi johdotuksessa sulakerasian ja liittimen välissä tekee moduulille mahdolliseksi ilmoittaa kumpi on vian aiheuttaja; yhdistelmäventtiili (pääsylinteri?) vai parkkijarru kytkin. Yhdistelmäventtiilin kytkimen ilmoittama vika viittaa jarrupiirien vikaan. Moduli (ECBM) kytkee antilock systeemin (EH venttiilin) pois päältä ja sytyttää valon.

Hermoja raastavin vika on kai jarrupolkimen painuminen pohjaan ilman mitään vastetta jarruilta. Vika on kuin pääjarrusylinterin vika mutta johtuu sähköhydraulisesta EH venttiilistä (ElectroHydraulic Valve). Likainen jarruneste saattaa nimittäin jättää tyhjennysventtiilin (Dump Valve) raolleen ja synnytetty jarrupaine vuotaa painesäiliöön. Minkäänlaista ABS vikailmaisua tai muutakaan koodia ei tule johtuen järjestelmän rajoittuneesta diagnoosi toiminnasta joka ei osaa kertoa venttiilin auki olosta.
Tutkittaessa onko vika pääsylinterissä vai muualla eristetään takajarrujen linja pääsylinteristä ja ilmataan ja tulpataan se. Jos poljin ei painu enää ei pääsylinteri ollut viallinen ja vian lähteeksi jää enää EH venttiili. Jos vaihdat sen vaihda myös jarrunesteet !

Toinen ongelma on ilmaa RWAL EH venttiilissä. Joissain EH venttiileissä ei ole ilmausruuvia, joten ilmaus on tehtävä jarruputkien liittimiä löysäämällä ja sieltä vuodattamalla. Joku jollain palstalla oli löysännyt merkkivalon kytkintä, joka ei kyllä välttämättä ole hyvä ajatus koska muovinen kytkin saattaa katketa ja jäädä kokonaan irtoamatta.
Jarrujen ilmausjärjestys on Oikea Taka / Vasen Taka / Oikea Etu / Vasen Etujarru....ainakin GM:n mukaan. Eli pisin linja ensin.

Kun olet tehnyt jotain töitä jarrujen kanssa on mahdollista ettei BRAKEvalo suostu sammumaan vaikka työt ja ilmaukset on tehty. Siinä tapauksessa BRAKE valon kytkin on keskitettävä;

1 Nosta ja tue auto.
2 Laita ilmausletku takajarrun ilmausliittimeen ja letkun toinen pää nestepulloon pinnan alle.
3 Katso että pääsylinteri on täynnä jarrunestettä
4 Kun ilmaat jarruja katso, että yhdistelmäventtiilin mittapään pinna.....eli ilmaustappi on lukittuna ulos asentoon. Siihen kannattaa valmistaa jonkinlainen työkalu ...hätätilassa muovipinnoitetut lukkopihditkin käy.....varo ettei pinnaan tule mitään jälkiä eikä pinna taivu. Käännä sytytysvirta päälle
5 Avaa jarrun ilmausruuvia samalla kun jarruilla on painetta. Brake valon tulisi palaa. Sulje ilmausruuvi ennenkuin jarrupoljin vapautetaan. Toista useita kertoja. Valokytkimen palautusta/keskitystä varten paina jarrupoljinta voimakkaasti (~450psi/~3102kPa). Sen pitäisi keskittää valokytkin. Tee sama toiselle takajarrulle.
6 Toista kohta 5 etujarrujen ilmaus ruuveille
7 Virrat pois ja auto alas

Jos BRAKEvalo ei pala kohdassa 5 on jarruvalon kytkin viallinen
Mittapään pinnan (ilmaustapin) saa ulos kun painaa jarruja!!

Monien mielestä parhaaseen takajarrujen säätö tulokseen päästään jos suorittaa säädön käsin.

--------------------------------------------------------------------------- ....nopeustunnistimelta tulevan tiedon ollessa väärää ei RWAL systeemi toimi eikä moni muukaan asia autossa....paitsi BRAKE valo...siispä aika luonnolliselta tuntuikin jatkaa hiukan syvemmälle jarrujärjestelmiin....

DRAC / VSSB

Jos muutat välityssuhteita tai rengaskokoa auton nopeusmittari, vakionopeuslaite ja ABS järjestelmä eivät toimi enää oikein koska ne saavat alkuperäisestä poikkeavaa tietoa DRAC:ltä tai VSSB:ltä. Puoli tuumaa ( 1/2") on joittenkin lähteiden mukaan se raja renkaan halkaisijassa jonka jälkeen alkaa tulla vika ilmoituksia. Edellisten muutosten takia et toden näköisesti saa myöskään BRAKE valoa poistumaan. Siksi seuraavat sivut ovat tarpeen niille, jotka haluavat tehdä muutoksia laitteisiin itse niin, että niistä tuleva informaatio olisi oikeaa ja jarrut ja mittarit toimisivat niinkuin niitten kuuluisikin toimia.

1988-1990 malleissa DRAC yksikkö on integroitu mittaristoon ...sen takaosaan piirilevylle. 1990- 1991 malleissa on jo erillinen DRAC yksikkö ECM:n lähellä kotelossaan ja myöhemmissä 1992- VSSB yksikkö.

RWAL vianhaku kaaviot ja vika koodit

RWAL järjestelmään liittyvä kytkentäkaavio

ABS:n / RWAL jarrujärjestelmän poisto

1989-1990 DRAC yksikön uudelleen kalibrointi

1990-1991 DRAC ja 1992- VSSB yksikön uudelleen kalibrointi

IAC&TPS säätöä

Vaihdevalinnan numeronäyttö

TPS sensorin mittaus



Fleetside etusivu      www.handen.us       Chevrolet Caprice -89

Homepages Since 1998 email / © hande@handen.us